Review Appendix C
都说Appendix A和C是全书精华之精华,那还是要把Appendix C消化消化的,争取正式开学之前看完它。
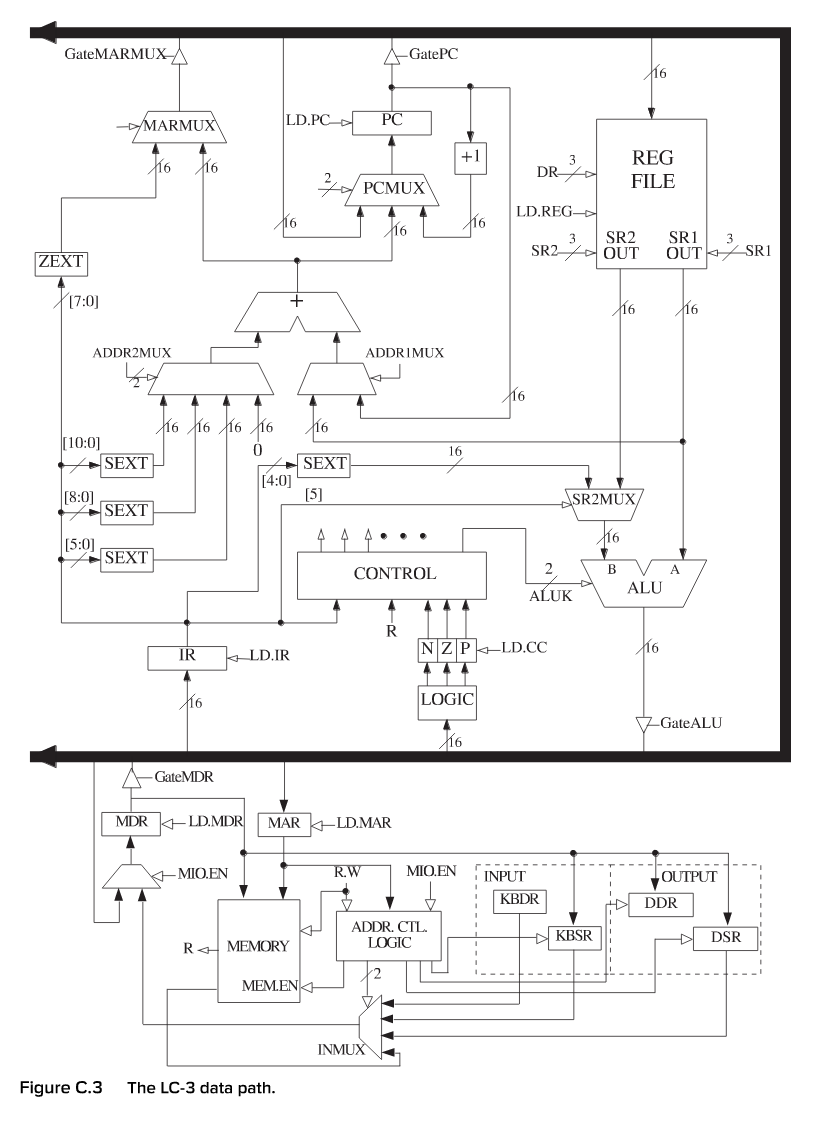
Two main component of a microachitecture: the data path, which contains all the components that actually process the instructions, and the control, which contains all the components that generate the set of control signals that are needed to control processing at each clock cycle.


